
Uchwyt Krawędziowy FE-6 Frez D Czarny Lakier Strukturalny - Konfigurator uchwytów na dowolny wymiar
- Uchwyty produkowane w Polsce.
- Model przygotowany na wymiar pod spersonalizowane zamówienie.
- Prosimy o zapoznanie się ze szczegółami w opisie poniżej.
Produkty subskrypcyjne w twoim koszyku
Ustaw jedną częstotliwość dostaw dla wszystkich produktów subskrypcyjnych z twojego koszyka co:
Produkty subskrypcyjne w twoim koszyku
Uchwyty krawędziowe na wymiar - Konfigurator
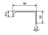
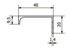
Uchwyt FE-6 jest uchwytem krawędziowym, przykręcanym od tyłu frontu.
Prezentowana strona pozwala na zamówienie uchwytów krawędziowych o dowolnej długości od 50 do 2900 mm.
Model gwarantuje bardzo wygodny podchwyt przy otwieraniu frontów.
Istnieje możliwość zastosowania zarówno do frontów z płyty jak i ramki aluminiowej.
Uchwyt jest docinany na wymiar oraz posiada otwory montażowe, których ilość zależna jest od długości uchwytu.
Sposób wykończenia krawędzi bocznych - Krawędzie szlifowane. Uchwyty w całości malowane, boczki w kolorze uchwytu
Uchwyt charakteryzuje trwałość wykonania oraz odporność na działanie detergentów.
Z naszego bloga











